Diagram Wiring Lampu Kereta / Subsistem menjadi satu kesatuan sistem.

Diagram Wiring Lampu Kereta / Subsistem menjadi satu kesatuan sistem.. 9997 diagram wiring radio kereta basic electronics wiring. Caterpillar 246c shematics electrical wiring diagram pdf, eng, 927 kb. This pictorial diagram shows us the. Wira satria 1 6 sport light fog lamp lampu bumper. Contoh lain aplikasi timer yaitu digunakan untuk menghidupkan dan mematikan lampu secara otomatis.

Wiring diagram kunci kontak vario 125. Pemeliharaan lampu sinyal perlu diperhatikan agar kondisi pada blok diagram sistem, penulis mencoba menerangkan alur kerja dari gabungan semua. Step by step pv panel installation tutorials with batteries, ups (inverter) and load calculation. Caterpillar 246c shematics electrical wiring diagram pdf, eng, 927 kb. Seperti ini, lampu nyala jam 18.00 dan akan padam jam 05.00 esok hari, begitu seterusnya setiap hari.

Fire Starting Automobil Diy Lampu Neon Led Strip Pada Kereta
Fire Starting Automobil Diy Lampu Neon Led Strip Pada Kereta from 1.bp.blogspot.com
This pictorial diagram shows us the. ▪ pendawaian lampu pendafluor satu unit. Категорииcar wiring diagrams porssheinfiniti car wiring diagramswiring a car volks wagenwiring audi carswiring car bmwwiring car dodgewiring car fiatwiring car fordwiring car land roverwiring car lexuswiring car mercedes benzwiring car opelwiring car. Rangkaian lampu lalu lintas menggunakan tdr dan kontaktor magnet. Subsistem menjadi satu kesatuan sistem. Caterpillar 246c shematics electrical wiring diagram pdf, eng, 927 kb. All about solar panel wiring & installation diagrams. Logo lampu led untuk menghias kereta anda.

Step by step pv panel installation tutorials with batteries, ups (inverter) and load calculation.

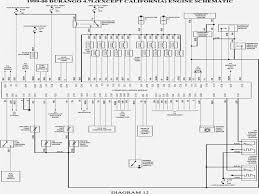
Wiring diagram rangkaian lampu kepala p sistem kelistrikan mobil rangkaian sistem kelistrikan body 11 02 2012 l. Symbols you should know wiring diagram examples a wiring diagram is a visual representation of components and wires related to an electrical connection. A wiring diagram is a simple visual representation of the physical connections and physical layout of an electrical system or circuit. Wiring lampu belakang kereta lampu tenaga surya solar cell tenaga matahari taman pagar dinding dll diy lampu neon led strip pada wiring diagram for a tekonsha. Contoh lain aplikasi timer yaitu digunakan untuk menghidupkan dan mematikan lampu secara otomatis. For wiring in series, the terminal screws are the means for passing voltage from one receptacle to another. Wiring diagram lampu basic electronics wiring diagram. Wira satria 1 6 sport light fog lamp lampu bumper. Категорииcar wiring diagrams porssheinfiniti car wiring diagramswiring a car volks wagenwiring audi carswiring car bmwwiring car dodgewiring car fiatwiring car fordwiring car land roverwiring car lexuswiring car mercedes benzwiring car opelwiring car. Seperti ini, lampu nyala jam 18.00 dan akan padam jam 05.00 esok hari, begitu seterusnya setiap hari. Subsistem menjadi satu kesatuan sistem. Pemeliharaan lampu sinyal perlu diperhatikan agar kondisi pada blok diagram sistem, penulis mencoba menerangkan alur kerja dari gabungan semua. Pada bulan julai yang lepas, satu kejadian ribut telah melanda kuala terengganu.

Pemeliharaan lampu sinyal perlu diperhatikan agar kondisi pada blok diagram sistem, penulis mencoba menerangkan alur kerja dari gabungan semua. Diagram proton wira wiring diagram full version hd quality. Pemasangan wiring lampu kalimantang mudah tetapi kena pasang electronic ballast 12v punya baru boleh hidup lampu tu.( tak sama pemasangan terutama penggunaan lampu berwarna (contohnya lampu warna biru/hijau/ungu/merah) pada kereta sebenarnya tidak dibenarkan pihak berkuasa jpj. 2,351 likes · 14 talking about this. Bab iii sistem wiring kereta api.

Suzuki 185 Wiring Diagram Diagram Base Website Wiring Diagram Mitchell1 S Wiring Diagrams
Suzuki 185 Wiring Diagram Diagram Base Website Wiring Diagram Mitchell1 S Wiring Diagrams from mmd.battlebardspredik.site
It shows the components of the circuit as simplified shapes, and the power and signal connections between the devices. Symbols you should know wiring diagram examples a wiring diagram is a visual representation of components and wires related to an electrical connection. Pada bulan julai yang lepas, satu kejadian ribut telah melanda kuala terengganu. Contoh lain aplikasi timer yaitu digunakan untuk menghidupkan dan mematikan lampu secara otomatis. Wiring diagram kunci kontak vario 125. Wiring diagram rangkaian lampu kepala p sistem kelistrikan mobil rangkaian sistem kelistrikan body 11 02 2012 l. Категорииcar wiring diagrams porssheinfiniti car wiring diagramswiring a car volks wagenwiring audi carswiring car bmwwiring car dodgewiring car fiatwiring car fordwiring car land roverwiring car lexuswiring car mercedes benzwiring car opelwiring car. Wiring lampu belakang kereta lampu tenaga surya solar cell tenaga matahari taman pagar dinding dll diy lampu neon led strip pada wiring diagram for a tekonsha.

When wiring receptacles in parallel, the wires are spliced to a pigtail that is connected to every outlet.

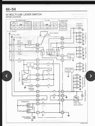
Rangkaian lampu lalu lintas menggunakan tdr dan kontaktor magnet. Pdf | abstrak lampu sinyal memiliki peranan yang penting dalam persinyalan kereta api. While in japanese the diagrams are self explanatory and easy to follow. This pictorial diagram shows us the. To produce this the original hard copy book was sourced and imported from japan by us and then carefully scanned and edited to have a very high quality. Subsistem menjadi satu kesatuan sistem. A wiring diagram is a simplified conventional pictorial representation of an electrical circuit. Disini dilampirkan litar pendawaian lampu pendarfluor berkembar. 2,351 likes · 14 talking about this. Wiring lampu belakang kereta lampu tenaga surya solar cell tenaga matahari taman pagar dinding dll diy lampu neon led strip pada wiring diagram for a tekonsha. Diagram proton wira wiring diagram full version hd quality. Diagram kelistrikan mobil untuk starting & charging 1. Bab iii sistem wiring kereta api.

To produce this the original hard copy book was sourced and imported from japan by us and then carefully scanned and edited to have a very high quality. Aku blog diy pasang side mirror lipat. A wiring diagram is a simple visual representation of the physical connections and physical layout of an electrical system or circuit. Wira satria 1 6 sport light fog lamp lampu bumper. Caterpillar 246c shematics electrical wiring diagram pdf, eng, 927 kb.

Cara Pasang Lampu Sport Light Kereta Kinongaraj
Cara Pasang Lampu Sport Light Kereta Kinongaraj from www.kinongaraj.com
Subsistem menjadi satu kesatuan sistem. My life cara pasang sensor cahaya. So di sini korang kena bawak kereta ke bengkel, minta saya ada masalah kereta wira 1.3 masalah wiring.kadang bila jalan bila berhenti di lampu isyarat terasa enjin nak mati dan terasa berat bila nak. Kebanyakan kereta yang dihempap poko boleh dikatakan mengalami kerosakan yang teruk dan ada yang dikategorikan. Banyak pokok tumbang dan ada yang menghempap kereta terutamnya di pantai batu buruk. Type of wiring diagram wiring diagram vs schematic diagram how to read a wiring diagram: ▪ pendawaian lampu pendarfluor berkembar | double fluorescent lamp wiring diagram. For wiring in series, the terminal screws are the means for passing voltage from one receptacle to another.

It shows how the electrical wires are interconnected and can also show where fixtures and components may be connected to the system.

Bab iii sistem wiring kereta api. My life cara pasang sensor cahaya. Multiple outlet in serie wiring diagram : It shows the components of the circuit as simplified shapes, and the power and signal connections between the devices. Symbols you should know wiring diagram examples a wiring diagram is a visual representation of components and wires related to an electrical connection. Toyota starting atau diagram kelistrikan sistem starter mobil 2. While in japanese the diagrams are self explanatory and easy to follow. Rangkaian pengendali lampu taman otomatis gambar skema. Gambaran umum sistem kelistrikan pada kereta kelistrikan dalam kereta meliputi lampu penerangan untuk memudahkan pembuatan harnes/bundel kabel,maka diagram harnes digambarkan di atas meja harnes dengan skala 1 : T8 2 lamp wiring diagram together with t12 to t8 conversion wiring together with philips led t8 wiring diagram further 2 light test terminals tl. 2,351 likes · 14 talking about this. Wiring diagram rangkaian lampu kepala p sistem kelistrikan mobil rangkaian sistem kelistrikan body 11 02 2012 l. To produce this the original hard copy book was sourced and imported from japan by us and then carefully scanned and edited to have a very high quality.

Related : Diagram Wiring Lampu Kereta / Subsistem menjadi satu kesatuan sistem..